← Back to Stud Type Industrial Cam Followers

CR SERIES Stud type : Screwdriver
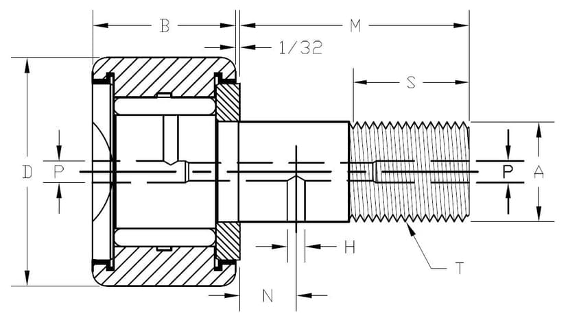
Screwdriver Slot Stud Type Needle Roller Bearings are recommended where running loads and shock loads are moderate. Bearing capacity of the Stud Type Series is limited by the moderately sized stud. Manufactured from High-Alloy Bearing quality Steel. Most commonly used general purpose cam follower and available in sealed versions


Available Models
| Model | CAD | Action | |
|---|---|---|---|
